
74hc138大家应该比较熟悉,关于它的应用电路你了解多少呢?它在电路中是一个什么样的角色定位呢?本文主要为你介绍关于74hc138电路图汇总分析以及74hc138在电路中的作用。
74hc138
74HC138是一款高速CMOS器件,74HC138引脚兼容低功耗肖特基TTL(LSTTL)系列。74HC138译码器可接受3位二进制加权地址输入(A0, A1和A2),并当使能时,提供8个互斥的低有效输出(Y0至Y7)。
74HC138特有3个使能输入端:两个低有效(E1和E2)和一个高有效(E3)。除非E1和E2置低且E3置高,否则74HC138将保持所有输出为高。
74hc138电路图汇总分析
三极管的开关控制电路(一)
74hc138译码器的工作原理:

如上图所示:
ADDR0 ADDR1ADDR2 三个IO口输出8中状态:


三极管的开关控制
如上电路图所示:
当LEDS6为高电平时三极管截止,集电极(C)没有电流通过,下面一排发光二极管不会亮。(电压导通,电流通过,导通电压顺电流过)

如上图所示:
当单片机的IO口输出一个高电平时,三极管导通,输出一个低电平。因为12V的电流从上流到地级;当单片机的IO口输出一个低电平时,三极管截止,因此会输出一个高电平。所以以上就是通过5V的电平来控制12V的电平,从而实现了电平的转换。高电平转换为低电平。
二进制全减器电路(二)
了解这个电路首先你得知道什么是全减器才能知道怎么做

真值表
代表来自低位的借位 ,所谓低位的借位 ,就是比他低的那个位借的这一位的啦。举个例子,比如十进制46-38,那么个位6-8的时候肯定要向十位4借一位啊,那么 个位向十位借的那个1对十位来说就是来自低位的借位啦 。然后十位不就变成了3-3了,到二进制里面也是一样啦,这个样子应该能理解了吧。
A : 被减数 B:减数
Co:表示向高位的借位信号
D : 为两数之差
好下面就按照上面说的解释一下 上面的这个真值表
直接看第二行吧
Ci: 0 A:0 B:1 Co:1 D:1
首先看 被减数A减去减数B为0-1 0-1啊 肯定需要借位啊 那么所以向高位借位信号Co为1 借位之后 A变成2(借一当2) 而且 Ci=0;说明他的低位没有向A借位 所以A不需要减去1 那么D=2-1-0(借位)=1
在来一下第三行
Ci: 0 A:1 B:0 Co D:1
被减数A减去减数B为1-0 1-0啊 肯定bu需要借位啊 那么所以向高位借位信号Co为0 而且 Ci=0;说明他的低位没有向A借位 所以A不需要减去1 那么D=1-0-0(借位)=1
最后看一个 第六行
Ci: 1 A:0 B:1 Co :1 D:0
首先看 被减数A减去减数B为0-1 0-1啊 肯定需要借位啊 那么所以向高位借位信号Co为1 而且 Ci=1;说明他的低位有向A借位 所以A需要减去1 那么D=2-1-1(借位)=0
好了就说这些 都这样说了 应该能理解这个真值表了吧
那么下面由真值表得到逻辑函数表达式我就直接写出答案了
Di=(Y1'Y2'Y4'Y7')'
Co=(Y1'Y2'Y3'Y7')'

74HC138驱动LED 小灯电路(三)
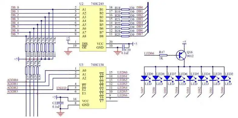
在我们设计单片机电路的时候,单片机的 IO 口数量是有限的,有时并满足不了我们的设计需求,比如我们的 STC89C52 一共有32个 IO 口,但是我们为了控制更多的器件,就要使用一些外围的数字芯片,这种数字芯片由简单的输入逻辑来控制输出逻辑,比如 74HC138 这个三八译码器,图3-15是 74HC138 在我们原理图上的一个应用。

74HC138 应用原理图
从这个名字来分析,三八译码器,就是把3种输入状态翻译成8种输出状态。从图3-15所能看出来的,74HC138 有1~6一共是6个输入引脚,但是其中4、5、6这三个引脚是使能引脚。使能引脚和我们前边讲 74HC245 的 OE 引脚是一样的,这三个引脚如果不符合规定的输入要求,Y0 到 Y7 不管你输入的1、2、3引脚是什么电平状态,总是高电平。所以我们要想让这个 74HC138 正常工作,ENLED 那个输入位置必须输入低电平,ADDR3 位置必须输入高电平,这两个位置都是使能控制端口。不知道大家是否记得我们第二课的程序有这么两句 ENLED = 0;ADDR3 = 1;就是控制使这个 74HC138 使能的。
这类逻辑芯片,大多都是有使能引脚的,使能符合要求了,那下面就要研究控制逻辑了。对于数字器件的引脚,如果一个引脚输入的时候,有0和1两种状态;对于两个引脚输入的时候,就会有00、01、10、11这四种状态了,那么对于3个输入的时候,就会出现8种状态了,大家可以看下边的这个真值表——图3-16,其中输入是 A2、A1、A0 的顺序,输出是从Y0、Y1......Y7 的顺序。

74HC138 真值表
从图3-16可以看出,任一输入状态下,只有一个输出引脚是低电平,其他的引脚都是高电平。在前面的电路中我们已经看到,8个 LED 小灯的总开关三极管 Q16 基极的控制端是 LEDS6,也就是 Y6 输出一个低电平的时候,可以开通三极管 Q16,从右侧的希望输出的结果,我们可以推导出我们的 A2、A1、A0 的输入状态应该是110,如图3-17。

那么我们再整体捋一遍点亮 LED 小灯的过程,首先看 74HC138,我们要让 LEDS6 为低电平才能导通三极管 Q16,所以 ENLED = 0;ADDR3 = 1;保证 74HC138 使能。然后 ADDR2 =1; ADDR1 = 1; ADDR0 = 0;这样保证了三极管 Q16 这个开关开通,5 V 电源加到 LED 上。
而 74HC245 左侧是通过 P0 口控制,我们让 P0.0 引脚等于0,就是 DB_0 等于0,而右侧 DB0 等于 DB_0 的状态,也是0,那么这样在这一排共8个 LED 小灯当中,只有最右侧的小灯和 5 V 之间有压差,有压差就会有电流通过,有电流通过我们的 LED2 就会发光了。


为了方便大家更好的学习,畅学电子网特别增加了针对单片机和EDA的公众号,每天推送相关知识,希望能对你的学习有所帮助!


版权声明:
本文来自互联网用户投稿,该文观点仅代表作者本人,不代表本站立场。本站仅提供信息存储空间服务,不拥有所有权,不承担相关法律责任。
如若内容造成侵权、违法违规、事实不符,请将相关资料发送至xkadmin@xkablog.com进行投诉反馈,一经查实,立即处理!
转载请注明出处,原文链接:https://www.xkablog.com/jszy-jszl/57019.html