当前位置:网站首页 > 人工智能与大数据应用 > 正文

单片机的程序存放在(单片机的应用程序存放在)



微信搜一搜
技成培训
单片机的基本结构包括中央处理器(CPU) 、存储器、定时/计数器、输入输出接口、中断控制系统和时钟电路六部分。
中央处理器(CPU)
包括运算器和控制器两部分,是单片机的核心。运算器可用于各种运算,控制器用于控制单片机各部分协调工作。
存储器
用于存放程序和原始数据。
时钟电路
时钟电路产生单片机运行的控制信号,控制单片机严格按时序执行指令。
定时/计数器:实现定时或计数功能。
输入输出接口(I/O)实现单片与其他设备之间的数据传送。
中断控制系统: 用于响应中断源的中断请求。
双列直插式封装(DIP,Dual Inline Package)
方形封装(PLCC,Plastic Leaded Chip Carrier)
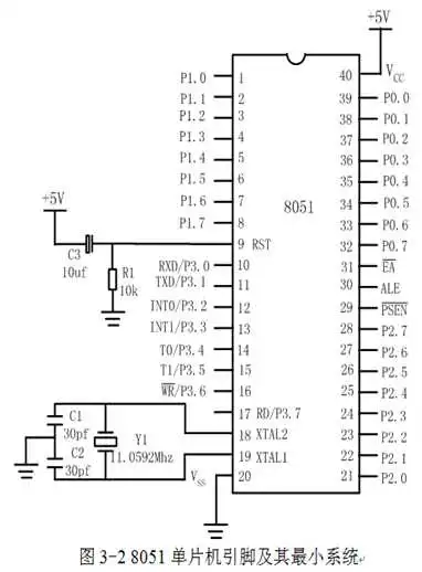
电源引脚: VCC (40脚)和VSS(20脚)分别接供电电源正极和负极。
时钟电路引脚:单片机需要有时钟脉冲信号才能工作,经(18脚)和 (19脚)接振荡电路。
控制信号引脚包括以下4个:
EA( 31脚):当EA接高电平时先内后外执行ROM程序。接低电平时只执行外部ROM程序。
RST (9脚):当输入两个机器周期以上的高电平时实现复位,使单片机初始化并重新执行程序。
ALE (30脚):访问外部存储器和其他外设时,ALE控制低8位地址和数据的分时传送。
PSEN (29脚):外部程序存储器读选通信号。
并行输入/输出引脚共32个:
PO口(39-32脚):可作地址/数据总线端口用,也可作普通I/O口用。
P1口(1-8脚):一般只用作I/O端口。
P2口(21-28脚):当访问外部存储器时可输出高8位地址,也可作普通I/O端口使用。
P3口(10-17脚):主要用其第二功能,也可作普通I/O口用。
P0口位电路结构
1个数据输出锁存器。
2个三态的数据输入缓冲器BUF1和BUF2。
2个场效应管(FET)。
多路开关、反相器、与门各1个。
P0口工作原理——用作复用的地址/数据总线
输出:“控制”信号为1,硬件自动使转接开关MUX打向上面,接通反相器的输出,同时使“与门”开启。
①当输出的地址/数据信息=1,“与门”输出为1,上方场效应管导通,下方场效应管截止,P0.x引脚输出为1。
②当输出的地址/数据信息=0,上方场效应管截止,下方场效应管导通,P0.x引脚输出为0。
P0口工作原理——用作复用的地址/数据总线
输入:当P0口作为数据输入时,仅从外部引脚读入信息,“控制”信号为0,MUX接通锁存器Q端。
P0口作为地址/数据复用方式访问外部存储器时,CPU自动向P0口写入FFH,使下方场效应管截止,上方场效应管由于控制信号为0也截止,从而保证数据信息的高阻抗输入,从外部输入的数据直接由P0.x引脚通过输入缓冲器BUF2进入内部总线。
①当D锁存器为1时,  端为0,下方场效应管截止,输出为漏极开路,此时,必须外接上拉电阻才能有高电平输出;
②当D锁存器为0时,下方场效应管导通,P0口输出为低电平。
P0口工作原理——用作通用I/O口
输入:两种读入方式:“读锁存器”和“读引脚”。
①当CPU发出“读锁存器”指令时,锁存器的状态由Q端经上方的三态缓冲器BUF1进入内部总线。
②当CPU发出“读引脚”指令时,锁存器的输出状态Q=1(Q端为0),而使下方场效应管截止,引脚的状态经下方的三态缓冲器BUF2进入内部总线。
P1口位电路结构
1个数据输出锁存器。
2个三态的数据输入缓冲器BUF1和BUF2。
1个场效应管(FET)和1个片内上拉电阻组成。
P1口工作原理——只用作通用I/O口
①若CPU输出1,Q=1,Q-=0,场效应管截止,P1.x脚输出为1;
②若CPU输出0,Q=0,Q- =1,场效应管导通,P1.x脚输出为0。
P1口工作原理——只用作通用I/O口
输入:分为“读锁存器”和“读引脚”
①读“锁存器”,输出Q状态经输入缓冲器BUF1进入内部总线;
②“读引脚”,先向锁存器写1,使场效应管截止,P1.x引脚上的电平经输入缓冲器BUF2进入内部总线。
P2口位电路结构
1个数据输出锁存器。
2个三态的数据输入缓冲器BUF1和BUF2。
1个场效应管(FET)和1个片内上拉电阻组成。
1个多路转接开关MUX
P2口工作原理——用作地址总线
在控制信号作用下,MUX与“地址”接通。
①当“地址”为0时,场效应管导通,P2口引脚输出0;
②当“地址”线为1时,场效应管截止,P2口引脚输出1。
P2口工作原理——用作通用I/O口
输出:在内部控制信号作用下,MUX与锁存器Q端接通。
①CPU输出1时,Q=1,场效应管截止,P2.x引脚输出1;
②CPU输出0时,Q=0,场效应管导通,P2.x引脚输出0。
P2口工作原理——用作通用I/O口
输入:分“读锁存器”和“读引脚”两种方式。
①“读锁存器”时,Q端信号经输入缓冲器BUF1进入内部总线;
②“读引脚”时,先向锁存器写1,使场效应管截止,P2.x引脚上的电平经输入缓冲器BUF2进入内部总线。
P3口位电路结构
1个数据输出锁存器。
3个三态的数据输入缓冲器BUF1和BUF2。
1个场效应管(FET)和1个片内上拉电阻组成。
1个多路转接开关MUX和1个与非门
P3口工作原理——用作第二功能
输出:该位的锁存器需要置“1”,使“与非门”为开启状态。
当第二输出为1时,场效应管截止,P3.x引脚输出为1;
当第二输出为0时,场效应管导通,P3.x引脚输出为0。
P3口工作原理——用作第二功能
输入:该位的锁存器和第二输出功能端均应置1,保证场效应管截止,P3.x引脚的信息由输入缓冲器BUF3的输出获得。
P3口工作原理——用作通用I/O口
输出:第二输出功能端应保持“1”,“与非门”开启。
CPU输出1时,Q=1,场效应管截止,P3.x引脚输出为1;
CPU输出0时,Q=0,场效应管导通,P3.x引脚输出为0。
P3口工作原理——用作通用I/O口
输入:P3.x位的输出锁存器和第二输出功能均应置1,场效应管截止。
P3.x引脚信息通过输入BUF3和BUF2进入内部总线,完成“读引脚”操作
也可执行“读锁存器”操作,此时Q端信息经过缓冲器BUF1进入内部总线。
四个并口(P0-P3)在读引脚之前,都需要将锁存器置“1”,使场效应管截止,避免锁存器内数据的干扰。
由于在输入操作前还必须附加一个置“1”的准备动作,因此称为“准双向口”。
四个并口(P0-P3)都是准双向口
8051单片机内部有4KB闪烁存储器,本身就是一个数字量输入/输出的最小应用系统。
在构建8051单片机最小应用系统时,8051单片机需要外接时钟电路和复位电路即可,如下图所示。


注意:本最小应用系统只能作为小型的数字量的测控单元。
免责声明:本文转自网络,版权归原作者所有,如涉及作品版权问题,请及时与我们联系删除,谢谢!
HISTORY
/
往期推荐


2021年电工初级考试题库完整版(内含答案)





变频器故障查询检修难?只需一键即可!





一键即可刷遍所有电气考题,这个神器你还没有拥有吗?





五大电气制图软件(CAD、Eplan、CADe_simu...),你pick那个?





最新电气版CAD绘图软件,附超详细安装教程!





最新电气绘图软件EPLAN,附超详细安装教程!





初学者使用S7-200 SAMRT编程软件常见问题(附软件下载)





超全电气计算EXCEL表格,自动生成!电气计算不求人!





蓝牙耳机、电工/PLC入门书籍任性送?快来领取你的电气礼物!





PLC编程基本功:梯形图与控制线路(附1164个三菱PLC实用案例)





还看不懂电气图?电工识图基础、仿真软件拿走,理论实操快速上手!





12门永久免费电工视频、10GB软件/电子书资料、30天免费电工直播课免费送啦!



别忘了点赞+在看哦!


“阅读原文”免费学PLC/电工课程
到此这篇单片机的程序存放在(单片机的应用程序存放在)的文章就介绍到这了,更多相关内容请继续浏览下面的相关推荐文章,希望大家都能在编程的领域有一番成就!

版权声明


相关文章:

  • 人工智能十大算法(人工智能十大算法名称)2025-10-11 11:36:10
  • 如何删除快应用里面的程序(怎样删除快应用里面程序)2025-10-11 11:36:10
  • 《第一行代码》 第八章:应用手机多媒体2025-10-11 11:36:10
  • Web应用开发框架-egg进阶与实战(二)02——环境配置与数据库初始化、编写schema、service逻辑提取2025-10-11 11:36:10
  • KDD‘22推荐系统论文梳理(24篇研究&36篇应用论文)2025-10-11 11:36:10
  • 进程控制的原理(进程控制的原理及应用)2025-10-11 11:36:10
  • cruise软件安装教程(cruise1安装应用密码)2025-10-11 11:36:10
  • 操作系统及其应用(操作系统应用领域)2025-10-11 11:36:10
  • 操作系统应用操作题(操作系统应用题带答案)2025-10-11 11:36:10
  • mt7811原理图(mt7811应用电路)2025-10-11 11:36:10
  • 全屏图片