晶体三极管中有两种不同极性电荷的载流子参与导电,故称之为双极型晶体管(BJT)。它是一种电流控制电流的半导体器件,具有电流放大作用,其主要作用是把微弱输入信号放大成幅值较大的电信号,是很多常用电子电路的核心元件。
三极管的原理图符号主要有两种,如图1所示。

图1
Q1为NPN管,Q2为PNP管,E极箭头方向代表发射结正向偏置时电流的实际方向,它们对应的基本结构如图2所示。

图2
由三个相邻互不相同的杂质半导体叠加起来,就形成了三极管的基本结构。从三个杂质半导体区域各引出一个电极,我们分别将其称之为发射极(Emitter)、集电极(Collector)、基极(Base);而对应的区域分别称为发射区、集电区、基区;相邻的两个不同类型的杂质半导体将形成PN结,我们把发射区与基区之间的PN结称之为发射结,而把基区与集电区之间的PN结称之为集电结。

三极管的实物图
三极管在实际应用中可能有三种工作状态:
下面我们以NPN三极管为例详细讲解三极管放大状态的工作原理。
话说天下大势,分久必合,合久必分,在这片由三块半导体组成的小区域内,也上演了一部争霸史,故事就发生在图3所示的这片区域。
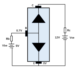
在没有任何处理的NPN三极管施加了两个电压之后,如图4所示。
要使NPN管处于放大状态,施加在CE结两端的电压Vce比施加在BE结的电压Vbe要大。因此,NPN管三个极的电位大小分别是:VC>VB>VE,(发射极电位Ve为参考电位0V),这样一来,三极管的发射结是正向偏置,而集电结是反向偏置,这就是三极管处于放大状态的基本条件。
在电压连接的一瞬间,假设基-射(发射结)偏置电压Vbe=5V,而集-射极偏置电压Vce=12V,两个N型半导体与P型半导体形成了两个PN结,BE结(发射结)正向电压偏置而导通将基极电位限制在0.7V(硅管),而集电极电位由于PN结反向偏置截止而为12V(瞬间电位,此时集电极电流还没有),如图5所示。
当发射结外加正向电压Vbe(正向偏置)时,由于发射区的掺杂浓度很高(三个区中最高),而基区的掺杂浓度最低,发射区的多数载流子电子将源源不断地穿过发射结扩散到基区(因浓度差而引起载流子由高浓度区域向低浓度区域的转移,称为扩散),形成发射结电子扩散电流Ien(该电流方向与电子运动方向相反)。
与此同时,基区的多数载流子空穴也扩散至发射区,形成空穴扩散电流Iep(该电流方向与Ien相同),很明显,Iep相对于Ien而言很小,然而,革命的力量是不分大小的!Ien与Iep两者相加发射极电流Ie,如图6所示。
从发射区扩散到基区的多数载流子电子在发射结附近浓度最高,离发射结越远浓度越低,从而形成了一定的电子浓度差,这种浓度差使得扩散到基区的电子继续向集电结方向扩散。在电子扩散的过程中,有一小部分电子与基区的多数载流子空穴复合,从而形成基区电流Ibn。我们知道,基区很薄且掺杂浓度低,因此,电子与空穴复合机会少,基区电流Ibn也很小,大多数电子都将被扩散到集电结,如图7所示。
由于集电结是反向偏置电压,空间电荷区的内电场被进一步加强(PN结变宽),这样反而对基区扩散到集电结边境的载流子电子有很强的吸引力(电子带负电,同性相斥异性相吸),使它们很快漂移过集电结(电场的吸引或排斥作用引起的载流子移动叫做漂移),从而形成集电极电流Icn(方向与电子漂移方向相反)。很明显,Icn=Ien-Ibn,因为百万大军一小部分在基区,剩下的大部分在集电区,如图8所示。
在多数载流子电子进入到集电区后,集电区(N型)的少数载流子空穴与基区(P型)的少数载流子电子也会产生漂移运动,形成了电流Icbo,而另有一些会跨过基区到达发射区从而形成Iceo,如图9所示。
Icbo表示集电极-基极反向饱和电流,Iceo表示集电极-发射极反向饱和电流(也统称为穿透电流),它们不受发射结电压Vbe控制,也不对电流的放大做出贡献,只取决于温度和少数载流子的浓度,当然是越小越好。在相同条件下,硅管的穿透电流比锗管小,在某些大功率应用场合,还必须外接穿透电流释放电阻,防止穿透电流引起三极管过热而损坏。
在三极管的放大状态下,只要控制外加发射结电压Vbe,基极电流IB也会随之变化,继而控制发射区的多数载流电子数量,最终也将控制集电极的电流IC。从三极管放大的原理上可以看出,所谓的“放大”并不是将基极电流IB放大,只不过是用较小的基极电流IB值来控制较大的集电极电流IC值,从外部电路来看就好像是IB被放大一样,这与“四两拔千斤”也是一个道理。
总之,如果上面的过程显得太麻烦的话,总结就三句话:
1)发射结加正向电压,扩散运动形成发射极电流Ie。
2)扩散基区的自由电子与空穴的复合运动系形成了基极电流Ib。
3)集电结加反向电压,漂移运动形成集电极电流Ic。
就像铭记二极管的单向导电特性一样,只要谈起三极管就要想到“电流放大”。
结论是:三极管是一个具有电流放大功能的器件,三极管b极上的小电流可以控制c极的大电流。
为了让这个枯燥的概念形象些, 我们用一幅画来比喻三极管的电流放大作用,见图10。
把三极管比作一个水箱, 其排水管由阀门控制,只要微调阀门就能控制排水管的流量。水箱好像三极管的c极,阀门就好像b极,而排水管相当于e极。当三极管b极获得如图所示的微小偏置电压后(+0.7V),就好像阀门被打开一样, 水得以从水箱向下快速流出一电流从c 极流向e极。且三极管b极偏置电压消失,就好像阀门关上了一样,c极到e极也就没有电流了。
2、电气高手私藏工具包(电工仿真软件+16套电气行业PPT)
3、师傅说:不会CAD就别想当电气工程师了(附CAD软件包)

到此这篇双管反激电路图(双管反激原理)的文章就介绍到这了,更多相关内容请继续浏览下面的相关推荐文章,希望大家都能在编程的领域有一番成就!
版权声明:
本文来自互联网用户投稿,该文观点仅代表作者本人,不代表本站立场。本站仅提供信息存储空间服务,不拥有所有权,不承担相关法律责任。
如若内容造成侵权、违法违规、事实不符,请将相关资料发送至xkadmin@xkablog.com进行投诉反馈,一经查实,立即处理!
转载请注明出处,原文链接:https://www.xkablog.com/jszy-jszl/66843.html