当前位置:网站首页 > 技术经理的晋升之路 > 正文

电路原理详解(电路原理视频讲解)



【课堂教学实录】

多开关动态电路分析思路

【中考真题同步训练】

  1. (2019武汉)

如图所示,电源电压保持不变.只闭合开关S1,电流表和电压表均有示数,若再闭合开关S2,则下列说法正确的是( )

A.电流表示数变大,电压表示数变小

B.电流表示数变小,电压表示数不变

C.电压表示数与电流表示数的比值变小

D.电压表示数与电流表示数的比值不变

2.(2020雅安)

如图所示的电路,闭合开关S、S1后,以下说法正确的是( )

A.灯L1、L2串联

B.电流表A1和A2示数相等

C.断开S1后,电流表A1示数变小

D.断开S1后,电流表A2示数变小

3.(2019贺州)

如图所示,电源电压不变,先闭合开关S,待电路稳定后再闭合S1,下列说法正确的是( )

A. A1、A、V的示数都变大

B. A1的示数不变,A的示数变大,V的示数不变

C. A1的示数变小,A的示数变小,V的示数不变

D. A1的示数不变,A的示数不变,V的示数变大

4.(2019岳阳)

如图,电源电压恒定不变,若要灯泡L和滑动变阻器R串联,则只需要闭合开关   ;闭合开关S1和S3,断开S2,将滑片P由图中位置向右移动,灯泡L的亮度   .

(选填“变亮”“变暗”或“不变”)

5.(2018宜宾)


在图中E是电源,电压保持不变,R、R1、R2、R3均是定值电阻,So、S是开关,V、A分别是电压表和电流表,So与S均处于闭合状态,现将S断开,    V的示数 ,A的示数 .

(均选填“变大”“变小”或“不变”)


6.(2021宜昌)

如图所示,电源电压恒定,闭合S1,小灯泡发光,再闭合S2时,观察到的现象是( )

A.电压表示数增大

C.小灯泡变亮

7.(2021连云港)

如图所示,电路中电源电压保持不变,闭合开关S1后,当再闭合开关S2时,则( )

A.电流表A1示数变大

B.电流表A1示数变小

C.电路消耗的总功率变大

D.电路消耗的总功率变小

8.(2022黔东南州)

如图所示,电源电压为 12 V保持不变,R₁=10Ω.只闭合开关S时,电流表的示数为0.3A,则R₁两端的电压 U₁=____V,R₂=___Ω;当断开开关S,闭合S₁、S₂时,则电流表的示数为 A.

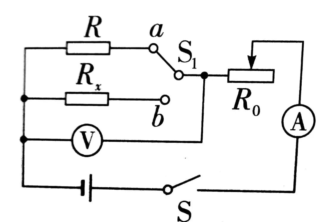
9.(2022桂林)

在物理兴趣小组的活动中,小桂按如图所示的电路图连接电路,电源电压恒定为10V,Ro为滑动变阻器,R、Rx为定值电阻,且R<Rx,R=15 Ω.闭合开关S前,应将Ro的滑片移动至最 (选填“左”或“右”)端;闭合开关s,将滑片移至某点固定不动,当开关 S₁由a点切换到b点时,电压表示数变化了0.5V,电流表示数变化了0.1A,则R x=_____Ω.

10.(2022金昌)

在如图所示的电路中,电源电压保持不变,电阻R₁的阻值为30Ω,闭合开关S₁断开开关S₂,电流表A₁的示数为0.3A;闭合开关S₁和S₂,电流表A₂的示数为1.2A.

求:(1)电源电压 U;

(2)电阻 R₂的阻值.

11.(2022铜仁)

你知道串联、并联电路的特点吗?请观察如图所示的电路:已知电源电压恒定,电阻R₁=10Ω,R₃=30 Ω.当开关S₁、S₂断开,S闭合,电流表的示数为0.3A;当开关S、S₁、S₂均闭合,电流表的示数变化数值为0.2A.

求:(1)电源电压;

(2)设电路中有两个电阻被烧坏,只有一个电阻处于工作状态,且电流表示数不为 零,请你分析并计算电路中的电流的大小.

12.(2023 重庆A卷)

如图所示的电路各,电源电压恒为6V.白炽灯泡L标有“5V 0.25A”,白炽灯泡 L₂标有“6V 3 W”,R的阻值为10Ω.忽略温度对灯丝电阻的影响,只闭合开关s时,灯泡 更亮;只闭合开关S₂时,R 的功率为 W.


13.(2023 赤峰)

如图所示,电源电压保持不变,R₂=30 Ω,R3=10Ω.当闭合开关S,断开开关

S1、S₂时,电压表的示数为4V,电流表示数为0.2A,则电源电压为 V;

当开关S、S1、S2都闭合时,则电路消耗的总功率为 W.

4. S2 不变 5. 变大   变大

6. D 7. C

8. 3 30 1.6

9. 右 20

10. (1)9V (2) 10Ω

11.  

12. L1 0.4

13. 6 3

【九年级电学全部课程】

第十一章:电流和电路

九年级:并联电路连接

九年级:[难点]电路实物图连接

第十二章:电压和电阻

九年级:用电压表测电压

九年级:实验:串、并联电路电压规律

九年级:[实验]:伏安法电路连接

九年级:[实验]物质的导电性

九年级:[实验]导体的电阻

第十三章:欧姆定律

九年级:[实验]电流与电阻的关系

九年级:如何解读欧姆定律

九年级:动态电路分析方法(一)

九年级:动态电路分析方法(二)

九年级:多开关动态电路分析方法

九年级:[实验]测定值电阻

九年级:[中考难点]伏阻法测电阻

九年级:[中考难点]安阻法测电阻(一)

九年级:[中考难点]安阻法测电阻(二)

九年级:[中考难点]安阻法测电阻(三)

九年级:[中考难点]等效法测电阻

九年级:[实验]电阻的串联

九年级:电阻的并联

第十四章:电功率

九年级:电能

九年级:电功

九年级:电功率(一)

九年级:电功率(二)

九年级:焦耳定律(实验)

第十五章:安全用电

九年级:家庭电路(组成与接法)

九年级:家庭电路(漏电与短路)

九年级:人体触电的原因

九年级:触电和急救

第十六章:电磁现象



九年级:磁现象
九年级:磁场和磁感线
九年级:中考必考“电生磁”

九年级:[实验]探究通电螺线管磁性强弱
九年级:电磁继电器

九年级:直流电动机是怎么转动起来的

九年级:电磁感应和发电机


【写在后边】


作者系山东省济南市莱芜区,中学高级物理教师,致力于初中物理教材教法和中考试题研究, 创建“初中物理同步”微信公众号,帮助学生学习初中物理知识,指导物理学习方法,培养学习兴趣和思维习惯。


如果在学习中遇到问题,可免费进作业+中考群交流学习。

电微:

长按二维码关注

到此这篇电路原理详解(电路原理视频讲解)的文章就介绍到这了,更多相关内容请继续浏览下面的相关推荐文章,希望大家都能在编程的领域有一番成就!

版权声明


相关文章:

  • ipv6中的环回地址(ipv6环回地址配置)2025-12-13 13:18:08
  • 华为模拟器路由器配置ip(华为模拟器路由器配置ip地址)2025-12-13 13:18:08
  • 反激电路工作原理多输出(反激电路工作原理分析)2025-12-13 13:18:08
  • max31865接线(max31865电路图)2025-12-13 13:18:08
  • u盘制作pe系统启动盘会删除之前的东西吗(u盘制作pe系统启动盘会删除之前的东西吗)2025-12-13 13:18:08
  • max31865电路图(max16833电路图)2025-12-13 13:18:08
  • 反激电路工作原理视频(反激电路工作原理视频教学)2025-12-13 13:18:08
  • 反激电路作用(反激电路作用是什么)2025-12-13 13:18:08
  • 环回地址有哪些(环回地址可以作为目的地址吗)2025-12-13 13:18:08
  • yml文件不生效(yml文件中的$date)2025-12-13 13:18:08
  • 全屏图片