

行空板K10是一款专为快速体验物联网和学习人工智能而设计的开发学习板,100%采用国产芯片,知识产权自主可控,符合信息科技课程中编程学习、物联网及人工智能等教学需求。该板集成2.8寸LCD彩屏、WiFi蓝牙、摄像头、麦克风、扬声器、RGB指示灯、多种传感器及丰富的扩展接口。凭借高度集成的板载资源,教学过程中无需额外连接其他设备,便可轻松实现传感器控制、物联网应用以及人脸识别、语音识别、语音合成等AI人工智能项目。


系统框架图

技术参数
1、核心部分
功能 说明
MCU 型号: ESP32-S3 N16R8
处理器: Xtensa LX7
双核32位 主频:240 MHz
SRAM: 512KB
ROM: 384KB
Flash: 16MB
PSRAM: 8MB
RTC SRAM:16KB
Wi-Fi 协议:IEEE 802.11b/g/n
频率: 2.4G
频宽: 20MHz、40MHz
蓝牙 协议: Bluetooth 5、Bluetooth mesh
频率: 125 Kbps、500 Kbps、1 Mbps、2 Mbps

行空板 K10 是一款专为快速体验物联网和学习人工智能而设计的开发学习板,具有以下特点和功能:
1、国产芯片与自主知识产权:行空板 K10 100% 采用国产芯片,确保了知识产权的自主可控性,符合信息科技课程中编程学习、物联网及人工智能等教学需求 。
2、高集成度设计:该板集成了 LCD 彩屏、WiFi 蓝牙、摄像头、麦克风、扬声器、RGB 指示灯、多种传感器及丰富的扩展接口。这样的设计使得在教学过程中无需额外连接其他设备,便可轻松实现传感器控制、物联网应用以及人脸识别、语音识别、语音合成等人工智能项目 。
3、人工智能算法集成:行空板 K10 内置了基础的图像检测、语音识别、语音合成等 AI 算法,并集成了摄像头、麦克风、扬声器等器件,助力广大师生轻松开始 AI 学习 。
4、大尺寸全彩显示屏:行空板 K10 配备了 2.8 寸全彩显示屏,为创意提供了无限可能,无论是制作精美的图形界面还是展示丰富多彩的图像,都能让你的作品更加生动有趣 。
5、物联网支持:行空板 K10 可作为物联网系统中的终端节点使用,满足物联网教学需求,集成了 WiFi 和蓝牙模块,全面支持物联网应用。
6、接口丰富、可扩展性强:行空板 K10 拥有丰富的扩展接口,支持板载接口和金手指接口,让你可以根据自己的需求连接各种外部设备,拓展更多的功能 。
7、多种编程方式:行空板 K10 支持图形化编程和 MicroPython 编程,无论你是编程新手还是经验丰富的科创老师,都能找到适合自己的编程方式 。


行空板K10是一款专为快速体验物联网和学习人工智能而精心设计的开发学习板,它以其易用性和强大的功能,成为适合各个年龄段学生的理想选择。以下是根据不同年龄段学生的特点,提供的行空板K10应用案例思路:
小学阶段:凭借其直观的图形化编程界面和支持多种传感器的特性,行空板K10成为小学生学习基础编程、探索物联网以及迈入人工智能世界的理想工具。通过动手实践,小学生可以在乐趣中学习,同时培养他们的逻辑思维和问题解决能力。
中学阶段:对于中学生而言,行空板K10不仅是编程教学的好帮手,更能够支持他们进行更高级别的项目开发。在图像检测、语音识别和语音合成等人工智能项目中,学生们能够将理论知识与实践相结合,从而提升他们的创新思维和实际操作技能。
高中及以上:高中生和大学生可以利用行空板K10进行更为复杂的项目开发和深入研究。无论是物联网应用还是人工智能算法的实际应用,行空板K10都能为学生提供丰富的实践机会,为他们未来的工程实践和科研活动奠定坚实的基础。

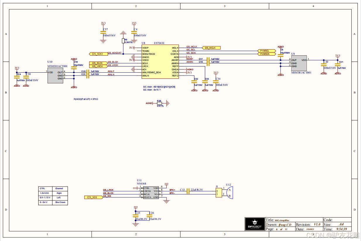
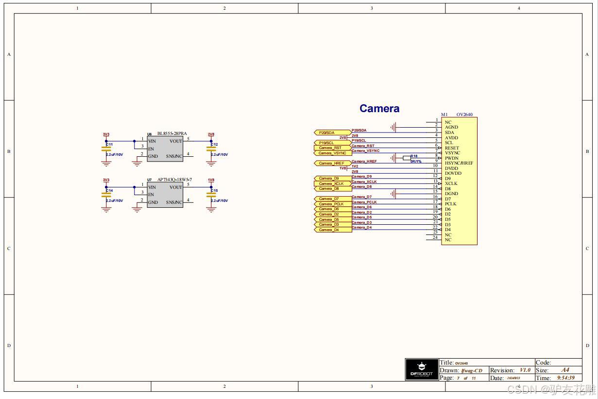
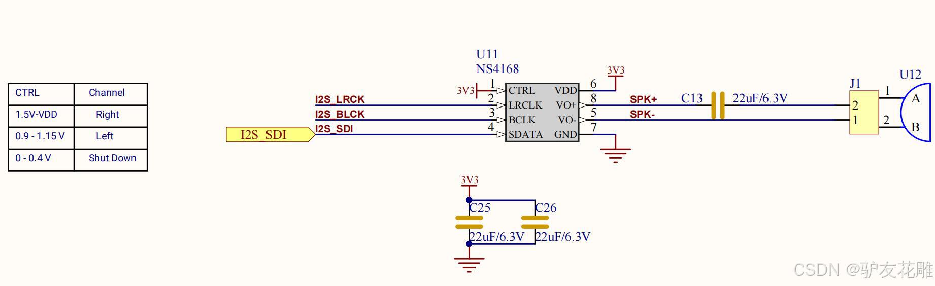
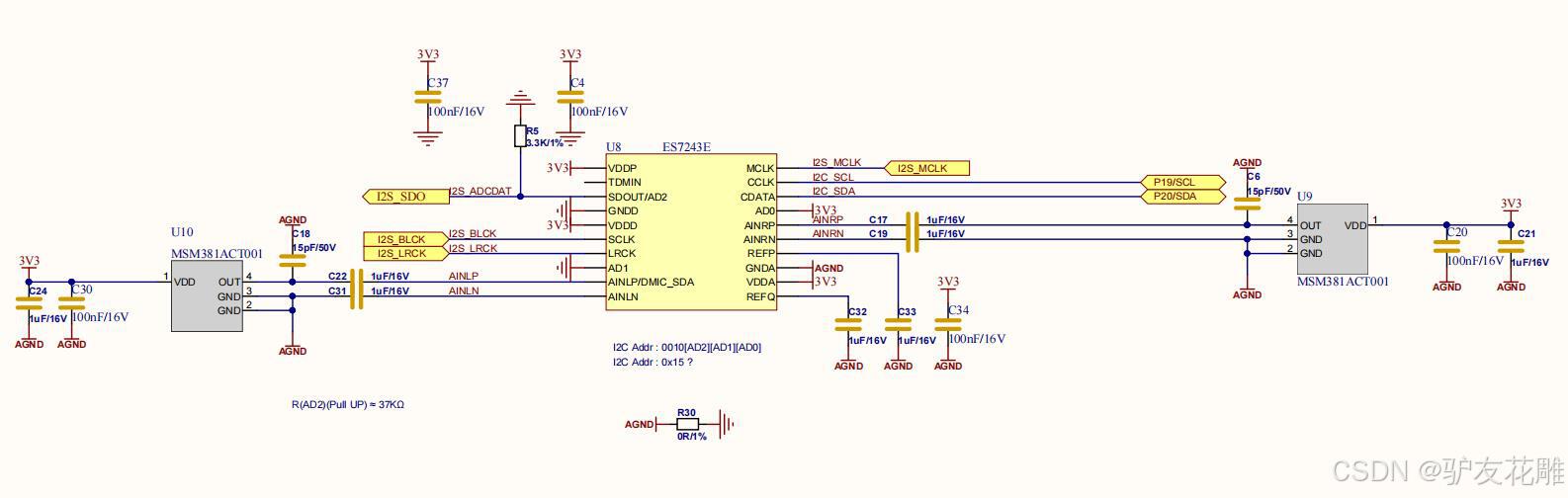
附录:行空板 K10全套电原理图

























版权声明:
本文来自互联网用户投稿,该文观点仅代表作者本人,不代表本站立场。本站仅提供信息存储空间服务,不拥有所有权,不承担相关法律责任。
如若内容造成侵权、违法违规、事实不符,请将相关资料发送至xkadmin@xkablog.com进行投诉反馈,一经查实,立即处理!
转载请注明出处,原文链接:https://www.xkablog.com/sjkxydsj/47004.html