当前位置:网站首页 > 职业软技能 > 正文

485报文解析软件(485报文怎么读)



RS485作为常见的总线之一,几乎每个工控设备都在用,我们也对其熟悉不过了。我们都知道RS485双半双工通信,其CPU内部的根源是串口通信,串口通信是区分发送TX和接收RX的,在同一对差分信号线上同时传输TX、RX,就是进行方向的控制,方向的控制时机不对,数据传送是要出问题的。

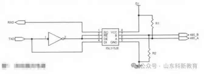
例如下图1、图2中,CPU端的TX信号发送完毕后约100uS后方向引脚 拉低,切换到接收状态,但是在TX信号发送完毕后60uS从机就回复了的RX信号,由于此时还是处于RS485芯片还是处于发送状态,此时的接收数据将会被忽略,在系统层面就是体现为数据接收丢包。

图1 RS485 接口电路

有些读者会可能回想,只要从机回复数据晚一些,不要这么快速回复,就不存在这个问题了。但是从机一般都是客户的机器,我们几乎不可能要求别人更改回复时间。例如三菱的Fx3U PLC作为从机时,从主机发送数据结束到从机回复数据,只用了60uS,部分控制板,甚至回复时间在10uS以内。

图2 方向脚切换时间过长的情形

一、RS485方向切换的方案1:使用反相器

自动切换

大部分的低成本RS232-RS485转换器采用了这种方法。具体的实现方法是:把串口的发送信号TX作为反相器的输入,反相器的输出则用来控制RS485收发器的收发控制引脚,同时在RS485收发器的A/B输出端加上上拉/下拉电阻,具体电路如图3所示。

图3 使用反相器自动切换电路

在空闲状态下,串口的发送信号TXD为高电平,经过反相器后输出低电平,使485芯片处于接收状态,而RS485总线由于上下拉电阻的作用处于A高B低的状态。当发送数据时,TXD信号线上的低电平比特位控制485芯片进入发送状态,将该比特发送出去。而高电平比特位则使485芯片处于接收状态,由于RS485总线上下拉电阻把总线置于A高B低的状态,即表示发送了高电平。


优势:只需要增加一个反相器就可以实现,无需软件的干预,反相器可以使用一个三极管即可以实现,成本十分低廉(几分钱);


劣势:由于上下拉电阻不可能选值太小,否则会影响正常发送的数据电平。所以这种换向模式在发送高电平时的驱动能力,并且,理论上我要求方向引脚要比数据先切换方向,但是由于方向引脚经过了反相器,达到芯片的时间变长了,比数据晚到,所以速率太高的情况容易丢包。如果需要驱动多个从设备,就会显得力不从心,并且驱动能力太弱,只能短距离传输;并且传输速度不能太快,一般使用9600bps。

二、RS485方向切换的方案2:使用软件控制

方向

市面上大部分的内置RS485的产品基本都是采用此类的方案,如下图4中的RS_EN引脚。具体的 实现方式是:在空闲器件,RS_EN 为低电平,MCU处于接收状态,在准备发送数据之前,MCU会拉高RS_EN,U1处于发送状态,发送完毕之后,RS_EN重新处于低电平,U1处于接收状态。

图4 使用软件控制方向切换

此类方案的关键是软件需要掌握好RS_EN引脚的高低电平的时机,假设发送完数据后,没有及时切换到接收状态,而此时从机又回复数据,此时就会引起丢包,就会出现文章开头图2中的情形。不幸的时,软件工程师的水平参差不齐,特别是在运行操作系统(Linux、WIndows等)以后,想要十分准确控制方向引脚的高低电平已经十分困难。


优势:
无需增加任何的硬件成本,且RS485的驱动能力不受影响。


劣势:
依赖于软件控制方向引脚,如果运行复杂的操作系统,控制引脚的优先级不够高,或者软件的优化的不够好,都会导致方向引脚的切换不及时,到时数据的丢包。并且,是否丢包还取决于从机的回复时间,测试过程不一定能够测试出来。

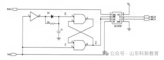
三、RS485方向切换的方案3:使用触发器

控制方向

为了克服反相器换向的缺点,出现了一种由RS触发器控制的自动换向技术,如图5所示。这个电路的关键是反相器和RS触发器之间的由二极管、电阻、电容组成的充放电电路。在空闲状态下,485芯片仍处于接收状态。当TXD信号线上发送数据的低电平起始位时,反相器输出高电平,通过二极管为电容迅速充电,使RS触发器R端为高电平,S端为低电平,触发器输出高电平,把ISL3152E置于发送状态;当TXD信号线转换为高电平时,反相器输出低电平,电容通过电阻缓慢放电,使得R端暂时仍处于高电平状态,加上S端的高电平状态,使触发器的输出保持前面的高电平状态,485芯片仍处于发送状态。电容经过一段时间放电后,R端电压转变为低电平,则触发器输出低电平,把485芯片置回接收状态。通过选择电阻和电容值,我们可以控制放电速度,使得一个低电平的起始位足以在整个字节发送。此类方案参数一致性非常差,实际使用的都是技高人胆大的。

图5 使用触发器切换方向

优势:
无需软件干预切换方向,驱动能力强(取决于RS485芯片)


劣势:
1.增加的器件较多;2.不同的波特率需要匹配不同的RC参数3.温度、老化、一致性等问题,会导致RC参数变化,从而导致切换时间错乱导致丢包。

四、RS485方向切换的方案4:max13487芯片

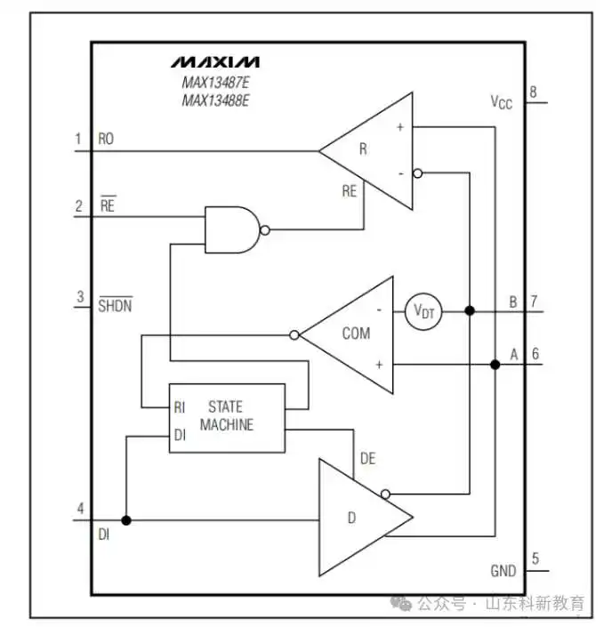
为了克服软件参与的方向控制不确定性,美信公司发布了宣称首款支持芯片自动换向的RS485芯片,如下图6,对比其他的RS485芯片,MAX16487的/RE引脚有两个用于:

(2)/RE为高电平时,芯片进入自动方向切换模式。

一般使用我们将/RE连接高电平,即自动换向模式。

图6 MAX13487 内部框图

由于美信没有公布内部的逻辑原理,只描述内部有一个状态机,我们只能外部猜测其工作原理:

1、空闲模式下,数据流方向为RO方向;此为状态1;

2、当串口端有数据发送时,由于起始位为低电平,经过逻辑功能D后,A<B,经过COM

3、逻辑功能且反相后,RI为高电平。此状态为数据发送状态2。

4、经过一系列的逻辑运算(以RI、DI为输入,但是不知道其内部的原理);状态机检测到数据发送完毕,芯片变成接收状态1。

优势:由芯片自动切换方向,无需软件干预切换方向,驱动能力强,通信速率高,MAX13488 宣称最高可以到16Mbps,与普通的RS485芯片性能一样。


劣势:价格比普通的RS485芯片贵一倍以上

五、RS485方向切换的方案5:周立功芯

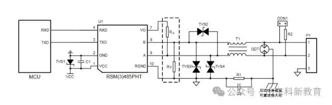
片RSM(3)485PHT

周立功公司将RS485的三个相关的功能模块:DC电源、隔离、RS485芯片三合一,封装在同一个芯片内部,由于没有内部的资料,我们无法获知其内部的逻辑功能。官方资料宣称最高速率可以达到500Kbps,对于一般的应用足以。


优势:由芯片自动切换方向,无需软件干预切换方向,驱动能力强,通信速率高,DC电源、隔离、RS485芯片功能三合一,节省板卡空间。


劣势:价格比分立器件搭建RS485电路贵,且一旦损害需要要整体更换

图7 RSM(3)485PHT原理图

六、总结

上述我们提供了5种RS485自动切换方向的方法:分别是反相器法、软件控制法、触发器法、美信MAX13488芯片、周立功RSM(3)485PHT。

来源:本文转自网络,版权归原作者所有,如涉及作品版权问题,请及时与我们联系删除,谢谢!

扫码关注

微信号|

关注左侧二维码 免费获取

到此这篇485报文解析软件(485报文怎么读)的文章就介绍到这了,更多相关内容请继续浏览下面的相关推荐文章,希望大家都能在编程的领域有一番成就!

版权声明


相关文章:

  • 划词翻译插件有哪些软件(划词翻译插件有哪些软件免费)2025-11-11 18:27:08
  • u盘制作系统启动盘(u盘制作系统启动盘软件哪个好)2025-11-11 18:27:08
  • 单片机程序破解软件(单片机程序破解软件)2025-11-11 18:27:08
  • tcp连接工具(tcp连接软件)2025-11-11 18:27:08
  • 电脑笔记软件(电脑笔记软件手写)2025-11-11 18:27:08
  • ubuntu换源后仍无法定位软件包(ubuntu无法定位软件包怎么办)2025-11-11 18:27:08
  • 快对作业小程序下载(快对作业下载软件)2025-11-11 18:27:08
  • 工具类软件靠什么盈利(工具类软件靠什么盈利呢)2025-11-11 18:27:08
  • .pem文件是什么(pem文件用什么软件打开)2025-11-11 18:27:08
  • yum安装配置(yum安装指定版本的软件包的方法)2025-11-11 18:27:08
  • 全屏图片