电路图识读能力是电气专业必备技能之一,控制电路图,是继电控制回路在安装、调试、维修、维护等过程中,需熟练掌握的基础知识。
电路图就像我们熟悉的地图一样,通过电路图,我们可以了解控制电路的工作原理、接线顺序、控制逻辑等内容。为我们对控制电路熟悉,提供了重要指引信息。
控制接线模拟板
本文从识图必备基础,对电路图符号与控制状态、七种常见继电控制方式、继电控制识图技巧三个维度进行详细解析。希望为你了解继电控制,掌握识图能力与方法提供参考及帮助。
1、控制电路符号解读
学习电路图识图方法,首先我们需对电路图内的符号含义有充分的了解。下面我们将对常见继电控制回路图符号进行一一解读。
从控制驱动方式划分,可分为一次控制回路,二次控制回路。其中一次控制回路为电源、负载连接部分,如主控开关、接触器主触头、热继电器主端子等。二次控制回路为各功能继电元件相互连接组合,实现一定逻辑的控制方式。如按钮、接触器辅助触头、延时继电器、热继电器辅助触头、中间继电器等。(若对电气元件不熟悉,可在作者主页查找元件解析)
继电控制柜安装
常见继电控制符号含义如下:
主回路(一次回路)常见符号:L表示电源;QF断路器;U、V、W负载相序;FU保险;FR热继电器;M电动机;PE接地保护。
控制回路(二次回路)常见符号:SB为按钮,SB后边数字为按钮编号,如SB1、SB2等;KM为接触器,同时有常闭、常来触点的区分;KT为时间继电器,一般有延时断开,延时闭合等形式;SA为切换开关;KA为中间继电器。具体可参考下图:
常用继电控制符号
2、自锁、互锁解析
自锁指:继电控制元件瞬间得电后,线圈吸合,其辅助常开点变为常闭点,常闭点变为常开点。供电电源通过常开转为常闭点的路径,实现自行供电的方式。
互锁指:继电控制电路有两个或两个以上电气元件组成。通过A辅助触点(常开、常闭),去控制B开关变化的动作。互锁的目的为防止机械传动冲突、实现电气控制逻辑顺序与运行功能的控制方式。
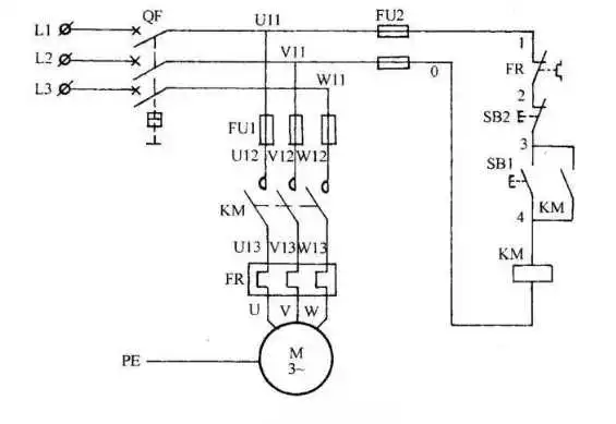
1、单点自锁控制
自锁控制原理
功能作用:单点自锁电气控制,为最基本的电气控制原理之一。一般由接触器、启动按钮、停止按钮组成, 常用于小型电动机、动力负荷、应急照明等控制电路中。
控制逻辑解析:二次回路通过保险,串联继电保护元件,实现信号的动作控制。按下电路中的SB1后, KM线圈得电吸合,KM的常开点变为常闭点。通过FR、停止按钮 SB2、及已闭合KM常开点给线圈供电,满足了KM的自锁功能。
2、顺序启动控制
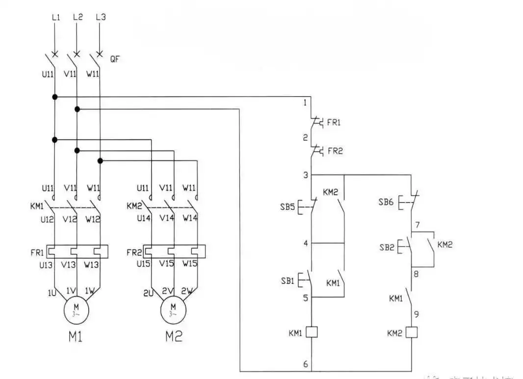
(1)手动顺序启动控制
按钮顺序启动原理
功能作用:手动顺序启动,即M1电机启动后,M2电机才可以启动,停止时顺序相反。一般有4个按钮、2个接触器组成,常用于机床电路、流水工作台、大型机械设备等需顺序启动的电路中。
控制逻辑解析:启动顺序,按下SB1、KM1线圈得电、KM1常开变为常闭、KM1接触器自锁吸合,M1电动机开始运转。按下SB2、电源通过KM1常开转常闭点后、KM2得电,KM常开转常闭,KM2接触器吸合,M2电动机开始运转。
停止顺序,按下SB6、KM2失电,M1电动机停止运行,按下SB5、KM1失电,M2电动机停止运行。
(2)自动顺序启动控制
延时顺序启动原理
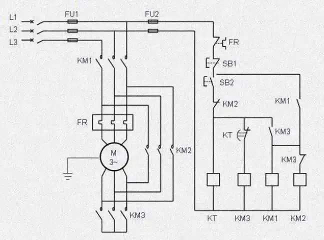
功能作用:自动顺序启动,指电动机M1启动后,通过自动延时控制,在延时条件满足时,电动机M2启动运行。一般有1个启动按钮、1个停止按钮、2个接触器、1个时间继电器组成。常用于自动化生产线、大型机械联动控制、数控车床等领域。
控制逻辑解析:启动顺序,按下SB2、KM1与KT1线圈得电,KM常开变为常闭、KM自锁,M1电动机运转。同时KT线圈得电后进入延时闭合状态,满足时间后,KT常开变为常闭,KM2线圈得电,KM2自锁后、M2电动机运行。
停止顺序,按下SB1、KM1、KM2失电,电动机M1和M2停止运行。。
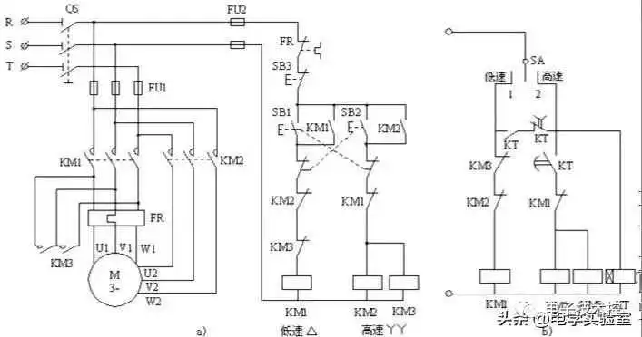
3、正反转控制
正反控制原理
功能作用:正反转控制,指一个电动机实现正反双向运行。控制方式一般分为三种:即非互锁正反转控制、接触器互锁正反转控制、接触器按钮双重互锁正反转控制。
下面我们以常用接触器互锁为例进行分析,电路一般采用一个常闭按钮、2个常开按钮、2个接触器等组成控制电路。常用于传输设备、安检平台、电机控制等场所。
控制逻辑解析:启动正转控制顺序,按下SB1、KM1线圈得电、KM1常开变常闭、KM1自锁、电动机正转运行。同时KM1常闭变常开,切断了KM2线圈的吸合,满足了KM2互锁功能。
启动反转控制顺序,在正转情况需按下SB3停止按钮,设备停止后,按下SB2、KM2线圈得电、KM2常开变常闭、KM2自锁、电动机反转运行。同时KM2常闭变常开,切断了KM1线圈的吸合,满足了KM1互锁功能。
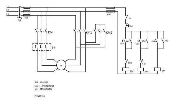
4、星三角启动控制
电动机星三角启动控制线路
功能作用:星、三角运行指控制电动机由六端子运行(星型)向三端子(三角型)运行的转换。优此可以减少电动机启动电流及启动产生的压降影响。一般有3个接触器、1个启动按钮、1个停止按钮、1个延时继电器组成。常用于大功率电动机、大型机械设备使用。
控制逻辑解析:启动顺序,按下SB2、KM1、KM3、KT吸合,电动机M进入星型运行状态。同时KT进入延时断开状态,时间到达后KT断开KM 3,KM3长闭触点复位后,KM2得电、KM2线圈吸合后,进行了端子合并。电动机M由星型转为三角形运行。
5、高低速启动控制
(1)手动高低速控制
双速手动控制原理
功能作用:手动双速控制,通过手动控制星型和三角型运行实现不同的运行速度。一般有3个接触器、1个停止按钮、1个低速按钮、1个高速按钮组成。常用多速台钻、多速风机、车床电路中。
控制逻辑解析:低速启动,按下SB2、KM1线圈得电、KM1自锁,KM1常开变为常闭,KM也得电,电机M低速运行。高速启动,按下SB3、SB3同时又断开了KM1、KM2线圈得电;KM2常开变为常闭,KM也得电、电动机M高速运行。
(2)互锁高低速控制
互锁双速控制原理
功能作用:互锁高低速控制,指通过接触器、按钮、切换开关进行连锁控制。一般由1个停止按钮、两个启动按钮、3个接触器组成,若切换控制还需配置切换开关、时间继电器等元件。用于数控车床、多速风机、大型电动机等场所。
控制逻辑解析:启动顺序,按下SB1、KM1得电、KM1同时切断KM2和KM3的电路,电动机处于低速运行。按下SB2、SB2 切断了KM1的线路,KM2与KM3线圈得电,同时KM2、KM3切断了KM1线路,电动机处于高速运行。
1、识图过程中,左侧一般为主回路控制图,右侧为二次回路控制图,识读时建议分段进行。
2、图形符号,为图纸最小组成单位,建议对图形符号进行不断的强化练习与记忆。
3、继电控制回路每个动作信号,均会关联不同的电气部件,解读时应清楚掌握相应部件变化状态。
4、为提升识图及应用能力,建议参照上文与实物进行对照学习。
5、继电控制回路画图时,应先画主回路,梳理电气元件逻辑关系及作用后,在进行二次回路绘制。
上千张电气控制电路接线图
赶快识别图中二维码

扫码免费领取!
2022年电工初级考试题库完整版(内含答案)
电气人作业必备的3个神器,用微信一键打开即可使用!
【收藏】 十年老电工的“出路”,月入过万的秘诀!
五大电气制图软件(CAD、Eplan、CADe_simu...),你pick那个?
最新电气版CAD绘图软件,附超详细安装教程!
最新电气绘图软件EPLAN,附超详细安装教程!
初学者使用S7-200 SAMRT编程软件常见问题(附软件下载)
超全电气计算EXCEL表格,自动生成!电气计算不求人!
蓝牙耳机、电工/PLC入门书籍任性送?快来领取你的电气礼物!
PLC编程基本功:梯形图与控制线路(附1164个三菱PLC实用案例)
还看不懂电气图?电工识图基础、仿真软件拿走,理论实操快速上手!
12门永久免费电工视频、10GB软件/电子书资料、30天免费电工直播课免费送啦!
版权声明:
本文来自互联网用户投稿,该文观点仅代表作者本人,不代表本站立场。本站仅提供信息存储空间服务,不拥有所有权,不承担相关法律责任。
如若内容造成侵权、违法违规、事实不符,请将相关资料发送至xkadmin@xkablog.com进行投诉反馈,一经查实,立即处理!
转载请注明出处,原文链接:https://www.xkablog.com/goyykf/45296.html