当前位置:网站首页 > 编程语言 > 正文

tp5001芯片(tps5410芯片)



概述:FP5001是低压供电形成电路,内含振荡器、电压比较器、激励输出等电路,常用作DC-DC降压电路,其输入电压为5V~20V。在输出电流为2A的情况下,该IC的转换率高达80%。该IC应用于长虹AOC机芯LT19570(Z) 、LT22510(Z)、LT26510等液晶彩电中,其引脚功能见表1。


一、FP5001引脚功能

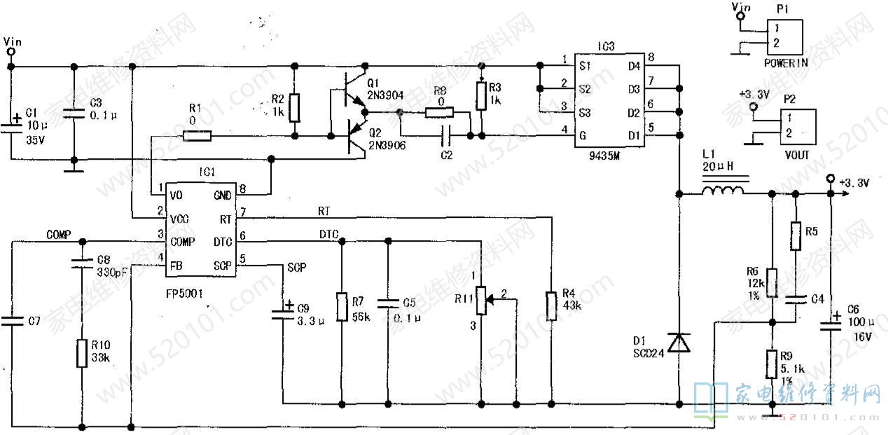
二、FP5001典型应用电路

FP5001的典型应用电路如图1所示,可调电阻R11与R4、C5组成RC电路,其时间常数决定电源的软启动时间及脉冲宽度大小。IC1( FP5001 )④脚外接反馈电阻R6、R9 ,①脚输出激励脉冲,给Q1.Q2推挽放大后,驱动P沟道功率型场效应管IC3(9435M),该IC的基准电压Vref为1V,其转换输出电压Vout由④脚的电压值决定,参见图1。Vout=(1+R6/R9)xVref,若要得到3.3V的输出电压,则要求R6的阻值是R9的2.3倍,故图中R9的阻值为5.1k,R6的阻值为12k。

到此这篇tp5001芯片(tps5410芯片)的文章就介绍到这了,更多相关内容请继续浏览下面的相关 推荐文章,希望大家都能在编程的领域有一番成就!

版权声明


相关文章:

  • 拆包机视频(自动拆包机拆袋原理及结构)2025-05-11 11:18:06
  • qq号需要实名认证码怎么办(qq号要实名认证是真是假)2025-05-11 11:18:06
  • 圈一怎么输入手机(手机输入法圈一怎么打)2025-05-11 11:18:06
  • 学籍认证码(学籍认证码在哪里找)2025-05-11 11:18:06
  • 预训练适应仪好使吗(预适应训练仪有危害吗)2025-05-11 11:18:06
  • 转盘抽奖小程序制作免费(转盘抽奖制作方法)2025-05-11 11:18:06
  • autohotkey怎么用(autohotkey tab)2025-05-11 11:18:06
  • 华为模拟器(ensp)交换机中配置vlan(华为ensp模拟器vlan配置命令)2025-05-11 11:18:06
  • 天气预报接口(天气预报接口代码)2025-05-11 11:18:06
  • XMouse怎么使用(XMouse怎么使用)2025-05-11 11:18:06
  • 全屏图片